2、微型减速机制造工艺技术面微型减速电机制造工艺包括铁心制造、绕组制造、塑料件制造、表面涂覆、绝缘与装配等。还大量用到机械加工、粉末压制、电子线路、电加工、焊接、精密冲压、冷挤压、梢密测试等生产技术。3、新原理、新结构的微型减速电机不断涌现,要求工艺方法不断新,工艺技术不断提高,随着新结构的不断涌现和产品系列化、零部件通用化程度的提高,必须不断开辟新工艺的研究与应用。以上是微型减速机制造的工艺过程,还可以为机械加工、冲压、铸造、绝缘处理、热处理、塑压、绕嵌线、装配、测试等专门的工艺过程,
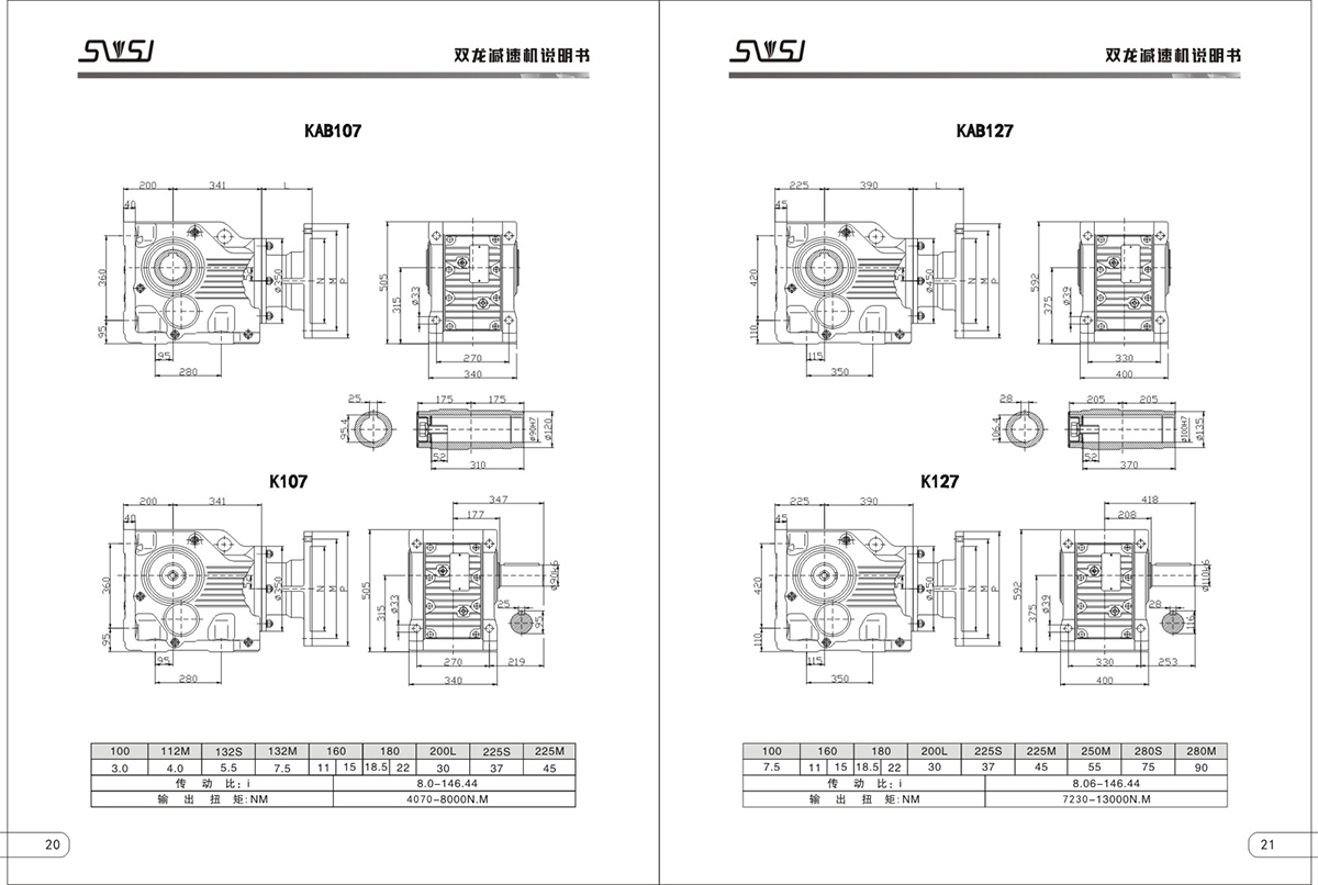
K系列产品概述:
1、K系列螺旋锥齿轮减速机振动小,噪音低,节能高。
2、K减速机结合技术要求制造,具有很高的科技含量。
3、选用优质段钢材料,钢性铸铁箱体,齿轮表面经过高频热处理。
4、能耗低,性能优越,减速机效率高达95以上
5、节省空间,可靠耐用,承受过载能力高,功率可达200KW以上。
6、经过精密加工,构成了斜齿轮、伞齿轮、锥齿轮传动总成的减速机配置各种类电机,形成机电一体化,完全保证了产品使用质量特征。
结构形式:
K-轴伸式、底脚安装 KA-轴装式联接 KF-轴伸式、法兰安装KAF-轴装式、法兰安装 S-表示轴输入














