齿轮减速电机是微型电机驱动闭式传动减速装置,就是减速机和电机的组合体,用来降低转速和增大转矩,以满足机械设备工作的需要,常用的微型齿轮减速电机主要有以下两种,分别是同轴式和两级圆柱式。同轴式同轴式微型斜齿轮减速电机结构紧凑,体积小,造型美观,承受过载能力强等特点,传动比分级精细,选择范围广,能耗低,性能优越,减速器达百分之九十六,振动小,噪音低等。微型齿轮减速电机通用性强,使用维护方便,维护成本低,而且新型的减速电机产品新型的密封装置,保护性能好,对环境的适应性强,可再一些腐蚀、潮湿等恶劣环境中连续工作。两级圆柱式两级的圆柱齿轮减速电机产品有高速级分流和低速级分流,高速级齿轮减速电机分流时性能较好,低速轴上的齿轮相对于轴承为对称布置,齿向载荷分布均匀。齿轮减速电机的同轴式安装方式的径向尺寸紧凑,但轴向尺寸较大,同时由于中间轴较长,轴在受载时绕曲较大,因而沿齿宽上的载荷集中现象较严重。
F系列减速机概况:
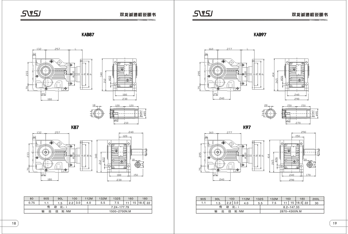
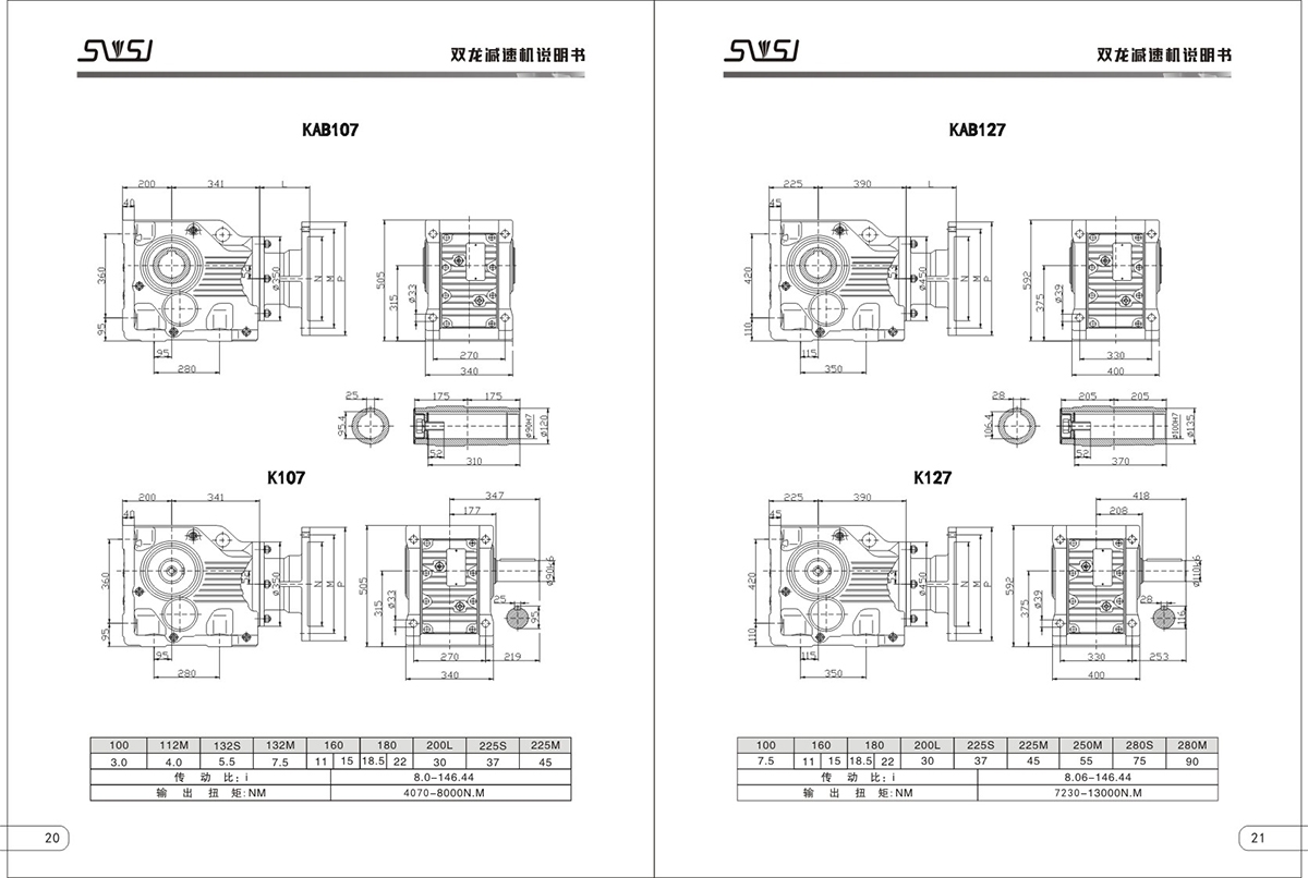
1、减速电机R,S,K,F系列斜齿轮减速机是在模块组合体系的基础上设计的,覆盖较广
2、能耗低,性能优越,传动效率高达96%,振动小噪音低传动功率范围0.09KW-160KW;
3、外形设计适合方位的安装配置;
4、传动比精确, 范围覆盖1.30-289.74,可根据需要的参数任意选取
5、齿轮经高精度磨齿机磨削加工,带筋的高钢性铸铁箱体,斜齿轮采用锻钢材料。
6、为特殊低速场合专门设计的双联体减速机,将R系列减速电机的传动比拓展到20000.
产品主要技术特点:
★齿轮减速机标准通用型:采用德国图纸及制造生产,既保证了欧洲品质,同时又大大缩短了交货期及制造成本,给客户以高品质,低价格。
★从箱体到内部齿轮,采用先进的模块化设计,大大减少了零部件的种类和库存量,也大大缩短了交货期,更适合规格生产和灵活多变的选型。
★齿轮采用优质高纯净度合金钢20CrMnTi渗碳淬火,齿面硬度高达60±2HRC,齿面磨削精度高达5-6级。降低了噪声,大大提高了减速机的承载能力。
★蜗轮采用耐磨合金青铜,蜗杆采用优化设计,运用淬硬磨削工艺,变速机摩擦副件采用了耐磨轴承钢,大大提高了效率和寿命。
★轴类采用合金钢调质,轴承、油封等标准件采用国内。
★整体式高强度铸造箱体,箱体结构刚度良好,易于提高轴的强度和轴承寿命,而铸造箱体的流线型设计,易于风扇冷却。铝合金压铸壳体,外形美观、轻巧、散热性好。
★ 产品可匹配各种类型的电动机,安装方式灵活多变,易于客户选用。 














