品牌:Nanotec
起订:1
BLDC无刷电机、工业微型电机、无人机电机拥有精巧的结构和极高的功率传输,其性能优异。转矩和转速高、噪音低且间隙低;纳诺达克DF系列无刷电机几乎能满足各种要求。是替代目前市场上高端系列无刷外转子电机的理想系列。性价比非常高,德国雄厚技术团队研发,落地中国本土工厂批量生产,交期稳定,专门针对中高端市场,性价比之选。

22极外转子电机
DFA90S024027-A – 直流无刷电机
MAX额定转速 2720 rpm
MAX额定扭矩 0.96 Nm
22 极结构,低速时运转平稳
可定制绕组或轴
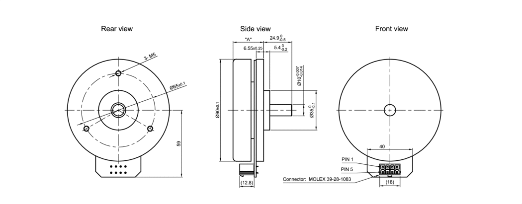
这种外转子 BLDC 电机非常适合贴标机、针织机、门禁控制或任何其它需要紧凑型无刷电机的应用。Nanotec 的控制器C5-E-2-X,N5-2-X 和 CL4-E-2-X 匹配该款电机。
| 商品 | 尺寸 | 机身长度“A” | 标称电压 | 额定功率 | 额定转速 | 额定电流 | 峰值电流 | 额定转矩 | |
|---|---|---|---|---|---|---|---|---|---|
DFA90S024027-A | 90 mm | 27 mm | 24 V | 130 W | 2720 rpm | 7.4 A | 23 A | 45.7 Ncm | |
DFA90L048017-A | 90 mm | 40 mm | 48 V | 170 W | 1670 rpm | 4.3 A | 13 A | 96.4 Ncm | |
DFA90L048017-E | 90 mm | 41.5 mm | 48 V | 168 W | 1670 rpm | 4.3 A | 13 A | 96.4 Ncm |
技术数据
额定电流 7.4 A
线间电感 0.17 mH
转矩常数 6.1 Ncm/A
电机连接 PCB
峰值转矩 150 Ncm
额定功率 130 W
额定转速 2720 rpm
尺寸 90 mm
线间电阻 0.21 Ohm
转子的转动惯量 3000 gcm²
重量 0.62 kg
峰值电流 23 A
机身长度“A” 27 mm
额定转矩 45.7 Ncm
标称电压 24 V
菲尔德基兴/德国, June , 2020 – 主打紧凑型驱动的纳诺达克继续扩充其用于精密自动化控制领域的进口无刷电机产品阵容,以进一步帮助客户解决他们在设备设计中的挑战。DFA90是一款 icp备外转子电机 ,额定功率高达170W,电机外径90mm。扁平的构造,转矩高,而且有足够的空间用于电缆接线,这样就在应用中使其有高度的可整合性。
该款 icp备外转子电机 提供24和48伏两种不同的绕组,并配备了数字霍尔传感器,以进行简单的控制。 也可以定制绕组或者进行轴的修改。 额定速度是2720r/min,额定扭矩0.96Nm。
这一系列还同步推出了DFA68,外径68 mm,额定功率110 W. 外壳带IP54防护等级可有效防止飞溅水和异物的渗透引起的电机损坏. DFA68额定电压24 V,额定速度3,700 r/min, 额定力矩29 Ncm. 它独特的14极结构确保它能够在低速下非常安静的运行。
典型应用:
纳诺达克推出的 icp备外转子电机 排名适用于安装空间受到严格限制的应用场合,像控制门入口和皮带驱动。

关于纳诺达克
纳诺达克电子(常州)有限公司,成立于2007年,其母公司为德国Nanotec Electronics GmbH & Co.KG,总部位于慕尼黑附近的费尔德基兴市。作为电机和控制器高品质驱动解决方案的制造商之一,公司自1991年以来一直致力于开发和销售各种电机和控制器产品。纳诺达克技术主要应用于自动化系统,实验室设备,医疗设备和半导体生产线设备等等。



DFA90S024027-A
DFA90L048017-E