CIS1001马达过载保护器是根据电气控制行业的实际需要设计的电机保护装置,采用单片机技术,功能齐全,动作可靠,抗干扰能力强,适应恶劣的工作环境。可对电气系统,鼠笼电机,绕线电机的过电流,短路,缺相,相失衡,错相及启动过程( 避启动过电流) 等提供有效的保护。

CIS1001马达过载保护器由电流互感器采样信号,使每相负载电流转换成与其成比例的电压信号,将该信号及所有控制信号输入微处理器,微处理器对各种信号不断地采集、计算和存储,并与相应的条件进行比较,然后输出结果。
正常工作条件:

CIS1001马达过载保护器主要功能有:过载、堵转、短路、欠载、相序、三相不平衡、缺相、过压、欠压、五次故障记忆、复位方式可选、过载动作时间定时限反时限通用选增功能:〇漏电〇接触器故障〇4-20mA模拟量
操作指南:

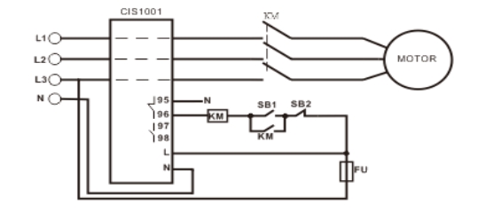
接线图:

CIS1001过载保护器广泛应用于机械、冶金、建材、化工、纺织行业等工业三相电动机及其他电气的保护与监测。


