CIS1001短路保护器是根据电气控制行业的实际需要设计的电机保护装置,采用单片机技术,功能齐全,动作可靠,抗干扰能力强,适应恶劣的工作环境。可对电气系统,鼠笼电机,绕线电机的过电流,短路,缺相,相失衡,错相及启动过程( 避启动过电流) 等提供有效的保护。
CIS1001短路保护器由电流互感器采样信号,使每相负载电流转换成与其成比例的电压信号,将该信号及所有控制信号输入微处理器,微处理器对各种信号不断地采集、计算和存储,并与相应的条件进行比较,然后输出结果。
正常工作条件:
CIS1001短路保护器主要功能有:过载、堵转、短路、欠载、相序、三相不平衡、缺相、过压、欠压、五次故障记忆、复位方式可选、过载动作时间定时限反时限通用选增功能:〇漏电〇接触器故障〇4-20mA模拟量
操作指南:

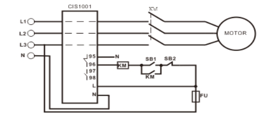
接线图:
CIS1001短路保护器广泛应用于机械、冶金、建材、化工、纺织行业等工业三相电动机及其他电气的保护与监测。
售后说明
1. 物流配送
我们的物流有顺丰、中通等,或者有客户物流
2. 付款方式
款到发货
3. 退换货政策
我们将提供售后服务,常规非定做产品,15天内无人为损坏,可退换

